
Motor de CC del generador de energía
Descripción
Parámetros técnicos
Título
Motor de CC del generador de energía
Breve introducción
Voltaje nominal del motor de CC del generador de energía Z2: nuestra dinamo tiene dos tipos, incluidos 115 V y 230 V. Las dinamos reguladoras de voltaje son 110/160V (el voltaje promedio es 135V) y 220/320V (el voltaje promedio es 270V). (El voltaje nominal de la dinamo reguladora de voltaje es la potencia bajo voltaje promedio, y si el voltaje excede el voltaje promedio, su potencia de salida no debe ser mayor que la potencia nominal y si el voltaje es menor que el voltaje promedio, su corriente de salida debe no ser mayor que la corriente calculada por el voltaje promedio). ElmotorEl voltaje incluye 110V y 220V.
Las dinamos reguladoras de voltaje son todas excitación en derivación, y las dinamos incluyen excitación compuesta y excitación separada. Todos los motores tienen una pequeña cantidad de devanado en serie. Los voltajes de excitación separados del motor incluyen 110 V y 220 V. Se debe mantener un ángulo a prueba de caídas de 15 grados entre la fabricación del motor y la línea regordeta con un grado de protección IP22.
Principales parámetros técnicos
|
Marco |
#31 |
|
Alcance del poder |
0.6~3KW |
|
Voltaje |
110V/220V |
|
Modo emocionante |
Derivación emocionante |
|
Velocidad |
3000 rpm, 1500 rpm, 1000 rpm, 750 rpm |
|
Método de enfriamiento |
IC01 |
|
Grado de protección |
IP22 |
|
Clase de aislamiento |
B (120 grados) |
|
Deber |
S1, S4, S5, S6, S9 |
|
Tipo de montaje |
IMB3/B35/B5/V1/V15 |
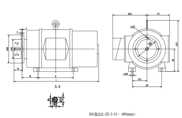
Dimensiones del contorno

Parámetros del motor

Aplicaciones

Cemento

Central eléctrica

Bomba

Azúcar
![]() |
¡ELIGE SIMO, ELIGE CALIDAD! |
Etiqueta: Motor de corriente continua del generador de energía, China, proveedores, fabricantes, fábrica, personalizado, cotización, precio bajo, en stock, hecho en China
Artículo anterior
Pequeño motor de 220 V.Siguiente artículo
Motor CC con escobillas pequeñoEnvíeconsulta








